Hello, welcome to visit Shandong Linyi Kuntai Machinery Equipment Co., Ltd official website!
13583992199 13562968979
Shandong Linyi Kuntai Machinery Equipment Co., Ltd
HOT KEY WORDS:used ball mill,used crusher,NE elevator,old ball mill
Loading......
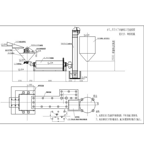
Your location: Home > Ф X7 1.83 meters of second-hand ball mill
Products